购买ESP8266-01/01S模块时请注意,建议使用ESP-01S。此模块可以任意使用的引脚其实只有一个GPIO2,做个开关之类的适合。
ESP-01和ESP-01S有小小的区别:1)指示灯位置01在TXD0,01S在GIP0上;2)01S的IO0、RST、EN带有上拉。
外观和引脚


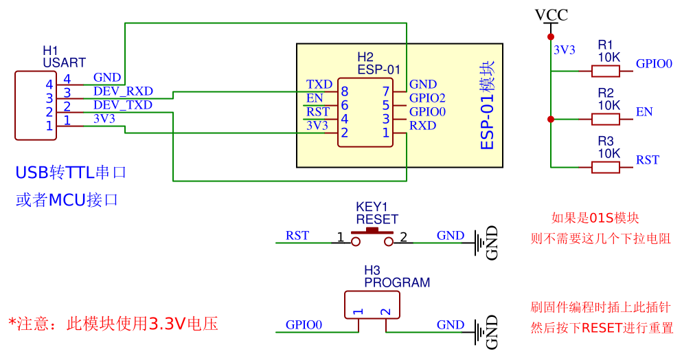
接线图

如果你不想这么麻烦,可以购买一款很便宜的“ESP8266烧写器”,淘宝上搜索一下,这款还是带自动下载电路的不需要跳线,板载CP2104 USB转串口芯片,支持Arduino IDE,可以直接烧写,调试。

购买ESP8266-01/01S模块时请注意,建议使用ESP-01S。此模块可以任意使用的引脚其实只有一个GPIO2,做个开关之类的适合。
ESP-01和ESP-01S有小小的区别:1)指示灯位置01在TXD0,01S在GIP0上;2)01S的IO0、RST、EN带有上拉。



如果你不想这么麻烦,可以购买一款很便宜的“ESP8266烧写器”,淘宝上搜索一下,这款还是带自动下载电路的不需要跳线,板载CP2104 USB转串口芯片,支持Arduino IDE,可以直接烧写,调试。
